परिचय
हायड्रोलिक फिटिंग अडॅप्टर हा एक भाग आहे जो वेगवेगळ्या हायड्रॉलिक भागांना जोडतो. गळती थांबवण्यासाठी ते घट्ट बसते. मजबूत सामग्रीचे बनलेले, ते उच्च दाब हाताळू शकते. हे फॅक्टरी मशीन्स, फार्म टूल्स आणि कार हायड्रॉलिक सिस्टममध्ये वापरले जाते. हे बऱ्याच भागांसह कार्य करते, द्रव सुरळीतपणे वाहत राहते, घालणे सोपे असते आणि थोडी काळजी घेणे आवश्यक असते. हे हायड्रॉलिक कनेक्शनसाठी एक स्मार्ट पर्याय बनवून, दीर्घ वापरासाठी चांगले आहे.



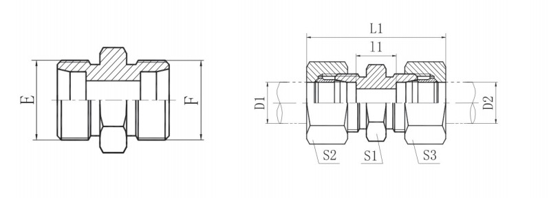
तपशील

|
भाग क्र. |
धागा |
ट्यूब OD |
परिमाणे |
दाब पातळी | ||||||
|
E |
F |
D1 |
D2 |
11 |
L1 |
S1 |
S2 |
S3 |
एमपीए |
|
|
1C-12 |
M12X1.5 |
M12X1.5 |
6 |
6 |
10 |
39 |
12 |
14 |
14 |
31.5 L |
|
1C-14 |
M14X1.5 |
M14X1.5 |
8 |
8 |
11 |
40 |
14 |
17 |
17 |
|
|
1C-18 |
M18X1.5 |
M18X1.5 |
12 |
12 |
14 |
43 |
19 |
22 |
22 |
|
|
1C-22 |
M22X1.5 |
M22X1.5 |
15 |
15 |
16 |
46 |
24 |
27 |
27 |
16 L |
|
1C-26 |
M26X1.5 |
M26X1.5 |
18 |
18 |
16 |
48 |
27 |
32 |
32 |
|
|
1C-30 |
M30X2 |
M30X2 |
22 |
22 |
20 |
52 |
32 |
36 |
36 |
|
|
1C-36 |
M36X2 |
M36X2 |
28 |
28 |
21 |
54 |
41 |
41 |
41 |
|
|
1C-45 |
M45X2 |
M45X2 |
35 |
35 |
20 |
63 |
46 |
50 |
50 |
|
|
1C-52 |
M52X2 |
M52X2 |
42 |
42 |
21 |
66 |
55 |
60 |
60 |
63 S |
|
1D-14 |
M14X1.5 |
M14X1.5 |
6 |
6 |
16 |
45 |
14 |
17 |
17 |
|
|
1D-16 |
M16X1.5 |
M16X1.5 |
8 |
8 |
18 |
47 |
17 |
19 |
19 |
|
|
1D-18 |
M18X1.5 |
M18X1.5 |
10 |
10 |
17 |
49 |
19 |
22 |
22 |
|
|
1D-20 |
M20X1.5 |
M20X1.5 |
12 |
12 |
19 |
51 |
22 |
24 |
24 |
|
|
1D-22 |
M22X1.5 |
M22X1.5 |
14 |
14 |
22 |
57 |
24 |
27 |
27 |
|
|
1D-24 |
M24X1.5 |
M24X1.5 |
16 |
16 |
21 |
57 |
27 |
30 |
30 |
|
|
1D-30 |
M30X2 |
M30X2 |
20 |
20 |
23 |
66 |
32 |
36 |
36 |
40 S |
|
1D-36 |
M36X2 |
M36X2 |
25 |
25 |
26 |
74 |
41 |
46 |
46 |
|
|
1D-42 |
M42X2 |
M42X2 |
30 |
30 |
27 |
80 |
46 |
50 |
50 |
|
|
1D-52 |
M52X2 |
M52X2 |
38 |
38 |
29 |
90 |
55 |
60 |
60 |
|
पॅरामीटर्स/तांत्रिक डेटा
|
मूळ |
झेजियांग, चीन |
वितरण तारीख |
निगोशिएबल |
|
प्रमाणन |
GB/T19001-2016 idt ISO9001:2015 |
पॅकिंग |
निर्यात मानक |
|
साहित्य |
कार्बन स्टील |
हमी |
1 वर्ष |
|
पेमेंट टर्म |
टीटी |
MOQ |
2000 |
|
अट |
नवीन |
रंग |
पांढरा जस्त, रंग जस्त |
कंपनी बद्दल












फायदे
उच्च गुणवत्ता
आमच्याकडे तांत्रिक ज्ञान आणि व्यवस्थापकीय अनुभव असलेली एक व्यावसायिक टीम आहे. आमची कंपनी व्यावसायिक गुणवत्ता प्रणाली प्रमाणपत्राद्वारे आहे.
समृद्ध अनुभव
आमची स्थापना 2011 मध्ये झाली. आत्तापर्यंत, आमची उत्पादने रशिया, ऑस्ट्रेलिया, यूएसए, यूके, जर्मनी, रोमानिया, मेक्सिको, ब्राझील, चिली, कॅनडा, स्पेन, कोलंबिया इत्यादी 40 हून अधिक देशांमध्ये निर्यात केली गेली आहेत. आम्ही आमच्या ग्राहकांना उच्च सेवा देऊ शकतो.
विविध उत्पादने
विविध गरजांशी जुळवून घ्या. आमच्याकडे 4 मालिका उत्पादने आहेत, एकूण शंभरहून अधिक प्रकार आहेत, हायड्रॉलिक फिटिंग, हायड्रॉलिक फेरूल, हायड्रॉलिक ॲडॉप्टर आणि नायलॉन ट्यूब फिटिंगवर लक्ष केंद्रित केले आहे. आपल्याला विस्तृत पर्याय प्रदान करण्यासाठी.
लहान नफा
उत्पादनाची गुणवत्ता सुनिश्चित करण्यासाठी आमच्या कंपनीचे सामर्थ्य, पुन्हा-क्रेडिट करा, करार ठेवा, विविध श्रेणी आणि कमी किमतीच्या तत्त्वांनुसार ग्राहकांचा विश्वास जिंकला आहे. देश-विदेशातील जुन्या आणि नवीन ग्राहकांचे स्वागत करा किंवा सल्लामसलत आणि वाटाघाटीसाठी आमच्या कंपनीकडे या. 10 वर्षांची सलग विक्री वाढ.
सर्वोत्तम सेवा
ग्राहकांचे समाधान ही नेहमीच FeiKe मशिनरी प्राधान्याची चिंता असते, आम्ही कोणत्याही समस्येचे निराकरण करण्यास उत्सुक आहोत. आम्ही विचारलेल्या सर्व प्रश्नांची उत्तरे देऊ, गरजूंना मदत करू आणि प्रत्येक प्रार्थनेला प्रतिसाद देऊ.
उत्कृष्ट स्थान
Hangzhou च्या अगदी जवळ वसलेले, आम्ही सुरळीत मालवाहतुकीची सोय करून-विकसित वाहतूक आणि लॉजिस्टिक सिस्टमचा आनंद घेतो.

वारंवार विचारले जाणारे प्रश्न
प्रश्न: तुम्ही आम्हाला का निवडावे?
A: आम्ही 10 वर्षांचा अनुभव असलेले विश्वसनीय हायड्रॉलिक विशेषज्ञ आहोत. आमची उत्पादने उच्च-गुणवत्तेची आहेत, 18-महिन्याच्या वॉरंटीसह येतात आणि जलद पाठवतात. आम्ही खर्चात बचत आणि विक्रीनंतरचा विश्वासार्ह सपोर्ट देखील देतो.
प्रश्न: तुम्ही कारखाना किंवा ट्रेडिंग कंपनी आहात?
A: आम्ही हायड्रॉलिक फिटिंग्ज तयार करणारा थेट कारखाना आहोत, 10 वर्षांहून अधिक काळ उत्पादन आणि R&D मध्ये तज्ञ आहोत.
प्रश्न: तुमची वितरण वेळ काय आहे?
उ: स्टॉकमधील- आयटमसाठी: ७-१५ दिवस.
आउट-स्टॉक आयटमसाठी-: 30-45 दिवस (ऑर्डरच्या प्रमाणात अवलंबून).
प्रश्न: तुमच्या पेमेंट अटी काय आहेत?
A: ऑर्डर पुष्टीकरणानंतर 30% ठेव, शिपमेंटपूर्वी 70% शिल्लक.
प्रश्न: आपण नमुने प्रदान करता?
A: मानक उत्पादने: 2 विनामूल्य नमुने (ग्राहक शिपिंगचे पैसे देतात).
सानुकूल उत्पादने: नमुना पर्यायांवर चर्चा करण्यासाठी आमच्याशी संपर्क साधा.
प्रश्न: गुणवत्ता समस्या असल्यास काय?
उत्तर: डिलिव्हरीच्या 12 महिन्यांच्या आत, आम्ही सर्व मानवेतर नुकसान भरून काढतो.
प्रश्न: तुमची किमान ऑर्डर मात्रा (MOQ) किती आहे?
A: मानक उत्पादने: MOQ नाही (1 तुकडा देखील खरेदी करा).
सानुकूल उत्पादने: MOQ उत्पादन तपशीलांवर अवलंबून असते.
प्रश्न: तुम्ही माझ्या रेखाचित्रांवर आधारित उत्पादने बनवू शकता?
उत्तर: होय, आम्ही करू शकतो. कृपया तांत्रिक आवश्यकतांसह संपूर्ण रेखाचित्रे प्रदान करा.
प्रश्न: तुम्ही कोणती-विक्रीनंतरची सेवा ऑफर करता?
उ: आम्ही रिअल- वेळेत शिपमेंटचा मागोवा घेतो आणि ग्राहकांचे समाधान सुनिश्चित करण्यासाठी पाठपुरावा करतो.
प्रश्न: तुम्ही उत्पादनाची गुणवत्ता कशी तपासता?
उ: कडक गुणवत्ता नियंत्रणासाठी आम्ही व्यावसायिक चाचण्या (मीठ स्प्रे, तन्य शक्ती, कडकपणा इ.) वापरतो.
प्रश्न: आपण OEM सेवा ऑफर करता?
उत्तर: होय, आम्ही करतो. तपशीलांसाठी आमच्याशी संपर्क साधा.
प्रश्न: तुम्ही कोणते पॅकेजिंग वापरता?
A: मानक: कार्टन बॉक्स. विनंतीनुसार सानुकूल पॅकेजिंग उपलब्ध आहे.
प्रश्न: मला किती लवकर किंमत मिळेल?
उ: तुमची चौकशी मिळाल्यानंतर आम्ही 8 तासांच्या आत उत्तर देतो.
हॉट टॅग्ज: हायड्रॉलिक फिटिंग अडॅप्टर, चीन हायड्रॉलिक फिटिंग अडॅप्टर उत्पादक, कारखाना
