परिचय
टी हायड्रोलिक ॲडॉप्टर हा एक टी-आकाराचा कनेक्टर आहे जो हायड्रोलिक प्रवाह सहजतेने विभाजित करतो, उच्च दाबाखाली चांगले काम करण्यासाठी मजबूत सामग्रीसह बनवलेला असतो. हे कारखाने, शेतात आणि कार सिस्टीममध्ये बरेच भाग बसते, गळती थांबवते आणि त्या ठिकाणी ठेवणे सोपे आहे. याला थोडी काळजी घ्यावी लागते, द्रव स्थिर राहते आणि मशीन्सना दीर्घकाळ चालण्यासाठी मदत करते-सर्व प्रकारच्या नोकऱ्यांसाठी उत्तम.



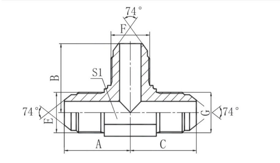
तपशील

|
भाग क्र. |
धागा |
परिमाणे |
|||||
|
E |
F |
G |
A |
B |
C |
S1 |
|
|
AJ-04 |
7/16*X20 |
7/16*X20 |
7/16*X20 |
24.5 |
24.5 |
24.5 |
11 |
|
AJ-04-06-04 |
7/16*X20 |
9/16*X18 |
7/16*X20 |
26.6 |
26.9 |
26.6 |
14 |
|
AJ-05 |
1/2*X20 |
1/2*X20 |
1/2*X20 |
26 |
26 |
26 |
14 |
|
AJ-06-04-06 |
9/16*X18 |
7/16*X20 |
9/16*X18 |
26.9 |
26.6 |
26.9 |
14 |
|
AJ-06 |
9/16*X18 |
9/16*X18 |
9/16*X18 |
26.9 |
26.9 |
26.9 |
14 |
|
AJ-08-06-08 |
3/4*X16 |
9/16*X18 |
3/4*X16 |
32 |
30 |
32 |
19 |
|
AJ-10 |
7/8*X14 |
7/8*X14 |
7/8*X14 |
37.8 |
37.8 |
37.8 |
22 |
|
AJ-12 |
1.1/16*X12 |
1.1/16*X12 |
1.1/16*X12 |
44.2 |
44.2 |
44.2 |
27 |
|
AJ-16 |
1.5/16*X12 |
1.5/16*X12 |
1.5/16*X12 |
49 |
49 |
49 |
33 |
|
AJ-16-12-16 |
1.5/16*X12 |
1.1/16*X12 |
1.5/16*X12 |
49 |
48 |
49 |
33 |
|
AJ-20 |
1.5/8*X12 |
1.5/8*X12 |
1.5/8*X12 |
56.5 |
56.5 |
56.5 |
41 |
|
AJ-24 |
1.7/8*X12 |
1.7/8*X12 |
1.7/8*X12 |
63 |
63 |
63 |
48 |
|
AJ-32 |
2.1/2*X12 |
2.1/2*X12 |
2.1/2*X12 |
78 |
78 |
78 |
63 |
पॅरामीटर्स/तांत्रिक डेटा
|
मूळ |
झेजियांग, चीन |
वितरण तारीख |
निगोशिएबल |
|
प्रमाणन |
GB/T19001-2016 idt ISO9001:2015 |
पॅकिंग |
निर्यात मानक |
|
साहित्य |
कार्बन स्टील |
हमी |
1 वर्ष |
|
पेमेंट टर्म |
टीटी |
MOQ |
2000 |
|
अट |
नवीन |
रंग |
पांढरा जस्त, रंग जस्त |
कंपनी बद्दल












फायदे
सुपीरियर क्वालिटी
आमची तज्ञ टीम तांत्रिक कौशल्ये आणि व्यवस्थापनाच्या अनुभवाची जोड देते आम्ही व्यावसायिक प्रमाणपत्रांसह कठोर गुणवत्ता नियंत्रण ठेवतो
समृद्ध अनुभव
2011 मध्ये स्थापित सध्या जगभरातील 40+ देशांमध्ये निर्यात करत आहे: यूएसए, जर्मनी, यूके, ऑस्ट्रेलिया, रशिया, ब्राझील, कॅनडा, आणि अधिक दर्जेदार सेवेसाठी आंतरराष्ट्रीय ग्राहकांद्वारे विश्वसनीय
विस्तृत उत्पादन श्रेणी
4 मुख्य उत्पादन श्रेणी:
हायड्रॉलिक फिटिंग्ज
हायड्रोलिक फेरूल्स
हायड्रॉलिक अडॅप्टर
नायलॉन ट्यूब फिटिंग्ज
100 हून अधिक भिन्न उत्पादने उपलब्ध
स्पर्धात्मक किंमत
आम्ही वाजवी किमतीत दर्जेदार उत्पादने ऑफर करतो. याद्वारे मजबूत ग्राहकांचा विश्वास निर्माण केला:
विश्वसनीय गुणवत्ता
प्रामाणिक व्यवसाय पद्धती
10 वर्षांची सातत्यपूर्ण वाढ
ग्राहक-केंद्रित सेवा
तुमचे समाधान हे आमचे सर्वोच्च प्राधान्य आहे. सर्व चौकशींना त्वरित प्रतिसाद. प्रत्येक गरजेसाठी व्यावसायिक उपाय
धोरणात्मक स्थान
Hangzhou जवळ सोयीस्करपणे स्थित. उत्कृष्ट वाहतूक कनेक्शन. जलद आणि कार्यक्षम शिपिंग

वारंवार विचारले जाणारे प्रश्न
प्रश्न: आमची कंपनी का निवडा?
A: आमची कंपनी 10-वर्षे हायड्रॉलिक तज्ञ आहे, विश्वासार्ह गुणवत्ता, 18-महिन्याची वॉरंटी, जलद वितरण, किंमत ऑप्टिमायझेशन आणि विक्रीनंतर चिंतामुक्त
प्रश्न: आम्ही कारखाना किंवा ट्रेडिंग कंपनी आहोत?
A: आम्ही 10 वर्षे उत्पादन आणि संशोधन आणि विकासावर लक्ष केंद्रित करून हायड्रॉलिक जॉइंट्सचा स्त्रोत कारखाना आहोत
प्रश्न: आमचा वितरण वेळ किती आहे?
उ: जर ते स्टॉकमध्ये असेल, तर यास साधारणपणे 7-15 दिवस लागतात. किंवा माल स्टॉकमध्ये नसल्यास, यास 30-45 दिवस लागतात, जे प्रमाणावर अवलंबून असते
प्रश्न: आमच्या पेमेंट अटी काय आहेत?
उ: ऑर्डर पुष्टीकरणानंतर 30% डिपॉझिट भरा आणि बिल ऑफ लॅडिंगच्या प्रतीसह 70% शिल्लक
प्रश्न: आम्ही नमुने देऊ शकतो? / आम्ही विनामूल्य नमुने देऊ शकतो?
उ: वर्तमान उत्पादनांसाठी, 2 नमुने विनामूल्य चाचणीसाठी प्रदान केले जाऊ शकतात आणि ग्राहकाला शिपिंग खर्च सहन करणे आवश्यक आहे; सानुकूलित उत्पादनांसाठी, कृपया नमुना योजनेची वाटाघाटी करण्यासाठी आमच्याशी संपर्क साधा
प्रश्न: वापरादरम्यान आम्हाला गुणवत्ता समस्या आढळल्यास आम्ही काय करू?
A: 12-महिन्याच्या गुणवत्ता हमी कालावधीत (डिलीव्हरीच्या तारखेपासून गणना केली जाते), सर्व गैर-मानवी नुकसान कव्हर केले जाते
प्रश्न: आमचे MOQ काय आहे?
उ: वर्तमान उत्पादनांसाठी, आम्ही एकल-तुकड्यांच्या खरेदीला समर्थन देतो. नॉन-स्टॉक उत्पादनांसाठी, किमान ऑर्डर प्रमाण उत्पादनाच्या वैशिष्ट्यांनुसार स्वतंत्रपणे पुष्टी केली जाईल
प्रश्न: आम्ही रेखाचित्रांनुसार उत्पादने तयार करू शकतो?
उ: रेखांकनांनुसार उत्पादनास पूर्णपणे समर्थन द्या, परंतु संपूर्ण तांत्रिक आवश्यकता आणि सहिष्णुता मानके आवश्यक आहेत
प्रश्न: आमची -विक्रीनंतरची सेवा काय आहे?
A: संपूर्ण लॉजिस्टिक ट्रॅकिंग सेवा, वाहतूक स्थितीचे वास्तविक{-वेळ अपडेट आणि साइन केल्यानंतर ग्राहकांच्या समाधानाचा पाठपुरावा-
प्रश्न: आम्ही आमच्या उत्पादनांची गुणवत्ता कशी तपासू?
उ: उत्पादनाच्या गुणवत्तेवर काटेकोरपणे नियंत्रण ठेवण्यासाठी आमच्याकडे सॉल्ट स्प्रे टेस्टर, टेन्साइल मशीन, कडकपणा टेस्टर इत्यादींसह व्यावसायिक चाचणी उपकरणांचा संपूर्ण संच आहे.
प्रश्न: आमच्या कंपनीकडे OEM सेवा आहे का?
उ: अर्थातच, आमची कंपनी OEM सेवा प्रदान करते. कृपया तपशीलांसाठी आमच्याशी संपर्क साधा.
प्रश्न: आमच्याकडे कोणत्या प्रकारचे पॅकेजिंग आहे?
उ: सध्या फक्त कार्टन पॅकेजिंग, परंतु जर तुम्हाला काही आवश्यकता असतील तर आम्ही त्या पूर्ण करण्याचा प्रयत्न करू शकतो
प्रश्न: मला किंमत कधी मिळेल?
उ: सहसा आम्ही तुमची चौकशी प्राप्त केल्यानंतर 8 तासांच्या आत उद्धृत करतो.
हॉट टॅग्ज: टी हायड्रॉलिक अडॅप्टर, चीन टी हायड्रॉलिक अडॅप्टर उत्पादक, कारखाना
